钢筋工程是主体结构的一个重要分项工程。平法钢筋等技术发展很快,涌现出很多的新方法,规范也进行了大范围的更新。随着11G101系列规范更新以后,12G901系列规范也进行了更新。12G901系列图集是对11G101系列图集构造内容在施工时钢筋排布构造的深化设计。
本丛书系统地对比讲解了11G101系列图集和12G901系列图集,精选不同结构类型的典型实例,将整套施工图展示给读者,以帮助读者全面认识12G901的精髓及修改之处,对实际问题进行了细致的分析与解读,方便相关工作人员学习平法钢筋知识。
市场上同类书较少,而相关的学校有此类课程,很缺少这类的培训教材,本丛书的出版能够为相关学校、培训机构提供很好的系统性、实用性教材。
编辑推荐
图书简介
本书依据《12G901-1》、《12G901-2》、《12G901-3》三本最新图集及《混凝土结构设计规范》(GB 50010—2010)、《建筑抗震设计规范》(GB 50011—2010)编写,主要内容包括基础知识、框架结构精识快算以及剪力墙结构精识快算,以平法制图规则为基础,结合具体的钢筋排布构造识图,通过计算实例详细讲解了框架-剪力墙构件的各类钢筋在实际工程中的识图与计算。
本书可供设计人员、施工技术人员、工程造价人员以及相关专业大中专的师生学习参考。
本书可供设计人员、施工技术人员、工程造价人员以及相关专业大中专的师生学习参考。
图书目录
1 基础知识
1.1平法基础知识
1.1.1平法的概念
1.1.2平法的特点
1.2 —般构造要求
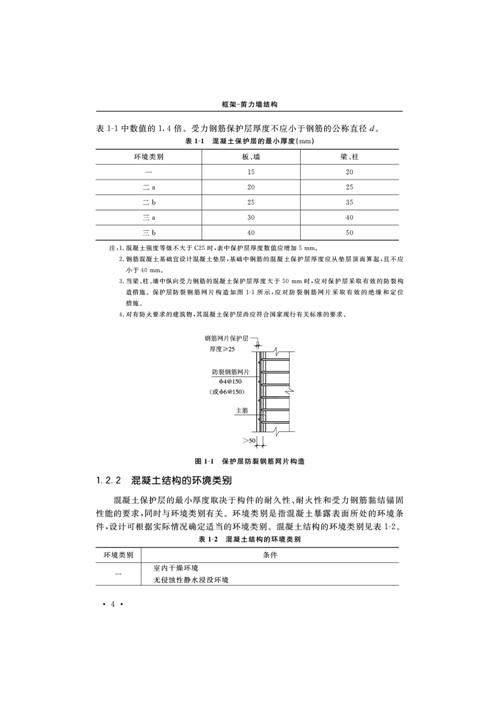
1.2.1混凝土保护层
1.2.2混凝土结构的环境类别
1.2.3纵向钢筋间距
1.2.4钢筋的锚固
1.2.5钢筋的连接
1.2. 6箍筋及拉筋弯钩构造
1.2.7纵向钢筋绑扎搭接横截面钢筋排布
2 框架结构精识快算
2.1框架结构基本概念
2.1.1框架结构布置
2.1.2框架结构的受力特点
2.2框架梁结构
2.2.1梁平法施工图识读
2.2.2梁构件钢筋识图
2. 2. 3梁构件钢筋快算
2. 3 框架柱结构
2. 3.1柱平法施工图识读
2. 3.2柱构件钢筋识图
2. 3.3柱构件钢筋快算
3 剪力墙结构精识快算
3.1 剪力墙结构基本概念
3.2剪力墙平法施工图识读
3.2.1剪力墙平法施工图的表示方法
3.2.2列表注写方式
3.2.3截面注写方式
3.3剪力墙钢筋识图
3.3.1剪力墙柱钢筋排布构造
3.3.2剪力墙身钢筋排布构造
3.3.3剪力墙梁钢筋排布构造
3.4剪力墙钢筋快算
参考文献
1.1平法基础知识
1.1.1平法的概念
1.1.2平法的特点
1.2 —般构造要求
1.2.1混凝土保护层
1.2.2混凝土结构的环境类别
1.2.3纵向钢筋间距
1.2.4钢筋的锚固
1.2.5钢筋的连接
1.2. 6箍筋及拉筋弯钩构造
1.2.7纵向钢筋绑扎搭接横截面钢筋排布
2 框架结构精识快算
2.1框架结构基本概念
2.1.1框架结构布置
2.1.2框架结构的受力特点
2.2框架梁结构
2.2.1梁平法施工图识读
2.2.2梁构件钢筋识图
2. 2. 3梁构件钢筋快算
2. 3 框架柱结构
2. 3.1柱平法施工图识读
2. 3.2柱构件钢筋识图
2. 3.3柱构件钢筋快算
3 剪力墙结构精识快算
3.1 剪力墙结构基本概念
3.2剪力墙平法施工图识读
3.2.1剪力墙平法施工图的表示方法
3.2.2列表注写方式
3.2.3截面注写方式
3.3剪力墙钢筋识图
3.3.1剪力墙柱钢筋排布构造
3.3.2剪力墙身钢筋排布构造
3.3.3剪力墙梁钢筋排布构造
3.4剪力墙钢筋快算
参考文献










