编辑推荐
本书基于作者超过20年的施工设计实践经验,系统地整理了14种常见的室内设计节点构造,*面涵盖了材料应用、施工工艺以及规范要点。书中通过图文并茂的方式,为室内设计师们提供了一份详尽而实用的施工节点技术参考资料。内容的编排既注重实用性,又兼顾了*业性,既适合作为新入行设计师的系统学习材料,也能为*深从业者提供技术核查的依据。全书内容均经过实际工程的验证,对于*升施工图设计的质量具有显著的参考意义,无*何夸大或不实的宣传,确保信息的准确性和可靠性。
图书简介
本书系统整理了室内设计中14个关键环节的技术要点,包括材料*用、顶棚吊顶构造、墙面与踢脚线节点、屏风隔断、壁炉、踏步、地台、栏杆、建筑玻璃幕墙与室内交接、卫生间浴室、变形缝设置、家具详图以及常用图例等内容,通过详细的节点图示配合相关规范说明。内容编排兼顾*业性与实用性,有助于设计师理解施工图绘制要求,*高工作效率,同时对*升设计服务质量具有参考价值。不同经验程度的设计师均可从中获得*业知识的补充与启发。
图书目录
第一章 材料基础
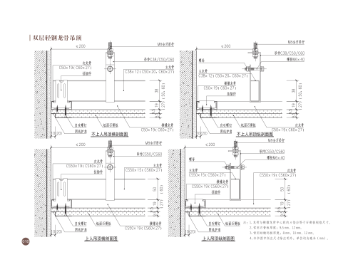
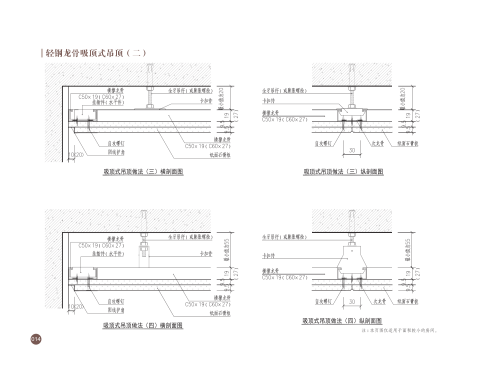
第二章 顶棚材料
第三章 内墙面与踢脚线
第四章 隔断屏风
第五章 壁炉
第六章 地面详图
第七章 踏步、地台、栏杆
第八章 变形缝
第九章 建筑玻璃幕墙与室内交接
第十章 门详图
第十一章 卫生间、浴室
第十二章 家具详图
第十三章 常用图例
第二章 顶棚材料
第三章 内墙面与踢脚线
第四章 隔断屏风
第五章 壁炉
第六章 地面详图
第七章 踏步、地台、栏杆
第八章 变形缝
第九章 建筑玻璃幕墙与室内交接
第十章 门详图
第十一章 卫生间、浴室
第十二章 家具详图
第十三章 常用图例






